菜单
close
关于我们
企业介绍
荣誉资质
工厂实力
产品中心
风光储系列
箱式变电站系列
高压成套系列
低压成套系列
配电箱电表箱系列
高压电缆分支箱系列
新闻资讯
公司新闻
行业动态
服务支持
资料手册
联系我们
联系方式
135-9907-6551
EN
首页
关于我们
企业介绍
荣誉资质
工厂实力
产品中心
风光储系列
箱式变电站系列
高压成套系列
低压成套系列
配电箱电表箱系列
高压电缆分支箱系列
新闻资讯
公司新闻
行业动态
服务支持
资料手册
联系我们
联系方式
关于我们
企业介绍
荣誉资质
工厂实力
产品中心
风光储系列
箱式变电站系列
高压成套系列
低压成套系列
配电箱电表箱系列
高压电缆分支箱系列
新闻资讯
公司新闻
行业动态
服务支持
资料手册
联系我们
联系方式
首页
>>
产品中心
>>
风光储系列
35kV华式箱变
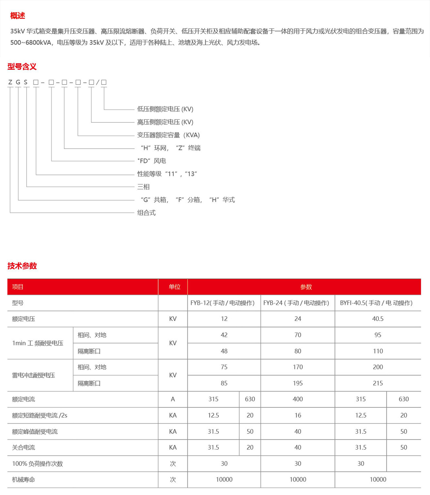
35kV华式箱变是集升压变压器、高压限流熔断器、负荷开关、低压开关柜及相应辅助配套设备于一体的用于风力或光伏发电的组合变压器,容量范围为500~6800kVA,电压等级为35kV及以下,适用于各种陆上、池塘及海上光伏、风力发电场。
获取报价 +
资料预览
产品介绍
产品信息
产品规格
尺寸框号 (mm)
40、60、80、120
减速机比
3-300:1
额定输入转速 (rpm)
2500-4500
最大输入转达 (rpm)
5000-7500
背隙 (arcmin)
单段11-18,双段13-20
噪音值 (dBA/1m)
66-73
防护等级
IP65
润滑
全合成润滑油
产品应用
135-9907-6551
(联系电话 7×24)
友情链接:
Copyright © 福建中红科技有限公司 All Rights Reserved.
网站建设:颂诚网络 温州
备案号:
闽ICP备2024038885号